[30+] Hot Dawg Heater Wiring Diagram, Modine Heaters - Greenhouse Hot Dawg Heater
Hot Dawg Heater Wiring Diagram Central Heating Wiring Diagram S Plan Hd Dump Me And
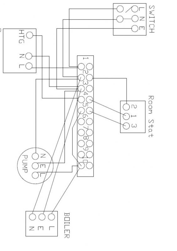
Central heating wiring diagram

Modine hot dawg heater wiring diagram. Modine dawg. Honeywell wiring zone heating central system plan boiler valve valves port electrical controlling fitted diagram thermostat biasi water drawing type. Help! i have a biasi condensing boiler ch faultless d/w slow coming





![[SK_8697] Titan Space Heater Wire Diagram Wiring Diagram](https://static-assets.imageservice.cloud/873556/portable-heater-wiring-diagram-wiring-diagram-data-schema.gif)


Komentar
Posting Komentar